Cikk
Kattintson az ikonra a 3 ponttal, hogy több lehetőséget kapjon az egyes cikkekhez.

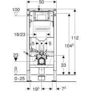
| Cikksz. | 111.921.00.6 |
| B | 50 cm |
| H | 112 cm |
Kiegészítő információk
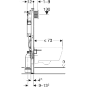
- Szállítási terjedelem: 111.300.00.6 Duofix WC-szerelőelem Sigma 12cm, falsík előtti szerelőkészlet, 116.061.00.6 elektromos csatlakozó doboz, 156.050.00.1 zajcsökkentő készlet
- Trafó és kábelkészlet külön megrendelendő: 116.096.00.1 (DuoFresh modul, AquaClean higiéniai berendezés bekötéséhez).







































